1
/
de
3
FASTENI
Edelstahl-Klappgriff SUS304, 110 mm (4,4″) HR-110RS. Drehbarer Edelstahl-Klappgriff aus rostfreiem Edelstahl V2A, satiniert matt, für Revisionsklappe, Revisionstür, Wartungstür, feuchte Umgebung, Schiff, Caravan von Sugatsune / LAMP® (Japan)
Edelstahl-Klappgriff SUS304, 110 mm (4,4″) HR-110RS. Drehbarer Edelstahl-Klappgriff aus rostfreiem Edelstahl V2A, satiniert matt, für Revisionsklappe, Revisionstür, Wartungstür, feuchte Umgebung, Schiff, Caravan von Sugatsune / LAMP® (Japan)
Prix habituel
€21,99 EUR
Prix habituel
Prix promotionnel
€21,99 EUR
Prix unitaire
/
par
Taxes incluses.
Frais d'expédition calculés à l'étape de paiement.
Impossible de charger la disponibilité du service de retrait
Poignée pliante en acier inoxydable V2A (SUS304) HR-110RS
Application: [caption id="attachment_46207" align="alignnone" width="420"]
- Trappe d'inspection
- porte d'inspection
- Porte de maintenance
- environnement humide
- Bateau
- Caravane
- Ouverture de maintenance
- Volet de nettoyage
- Satin mat
- Les poignées pliantes en acier inoxydable HR-110RS sont conçues pour
- Le montage se fait à l'aide des vis incluses dans la livraison (3,5 × 22 mm)
- Les vis de fixation sont également en acier inoxydable
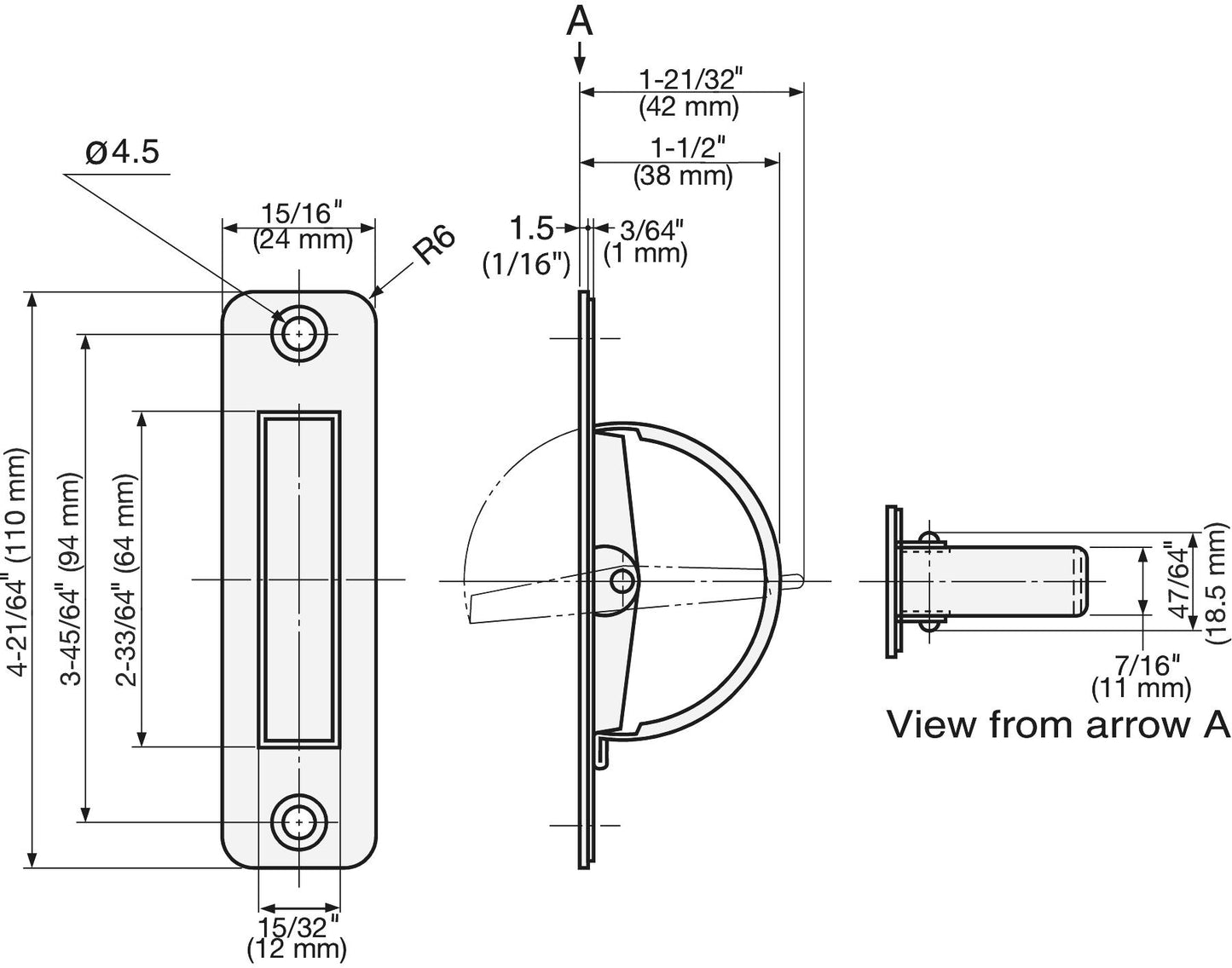
- Pour l'installation, une découpe de 64,5 x 19 mm et d'une profondeur d'au moins 42,5 mm doit être réalisée sur la porte
- Veuillez vous assurer que les côtés supérieur et inférieur sont correctement positionnés lors du montage
- Poids : 55 g
- Capacité de charge : 98 N (10 kp)
- Taille : 110 mm (4,4″)
- Forme : rectangulaire avec coins arrondis (R = 6 mm)
- Conception unique
- Fabriqué en acier inoxydable
- Acier inoxydable
- Résistant à la corrosion
- Haute qualité
- Épaisseur du matériau : 1,5 mm
- Hauteur de la poignée pliante en acier inoxydable : 110 mm (4-11/32″)
- Largeur : 24 mm (30/32″)
- Distance entre les trous de montage : 94 mm (3-22/32″)
- Taille de la zone de préhension : 64 mm (2-17/32″)

- Poignée pliante en acier inoxydable HR-110RS, 1 pièce, fabriquée en acier inoxydable SUS304 (V2A)
- 2 vis de fixation en acier inoxydable de 3,5 × 22 mm
- Numéro d'article : 100-019-059
- Nom de l'article : HR-110RS
- Numéro EAN : 4510932000246


Partager


